品番 : EA970FE-21
品名 : マグネットランナー・リング付(40mmレール/両開用)
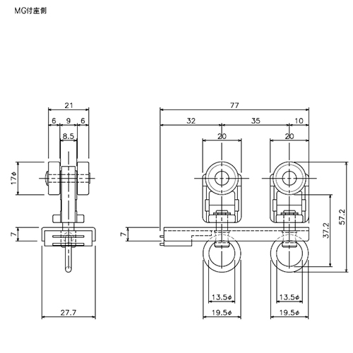
仕様
| メーカー | 岡田装飾金物 | 型番 | 15Y21 |
|---|---|---|---|
| 耐荷重 | 10㎏ | サイズ | 【受け座側】 61.5×21×57.2(H)mm 【MG付座側】 77×21×57.2(H)mm |
| リング内寸 | φ13.5mm | カン下寸法 | 30㎜ |
| 材質 | 樹脂・スチール ユニクロメッキ仕上げ |
重量 | 125g |
| 40㎜レール用 | |||
| 両開時、ランナー同士が磁力でピタッと閉じます。 | |||
| シートの先頭に取り付け、シートとシートの開き防止に | |||
| 追加説明 |
|
|---|
| カタログ価格 |
3,060 円(税抜)/ 3,366 円(税込) |
||||
|---|---|---|---|---|---|
| 在庫数 |
最新在庫 : 10 (2026/05/31 18:44現在) |
||||
| 商品入数 | 1 | 販売単位 | 組 | ||
| カタログページ | 1383ページ | ||||
