品番 : EA125TD-20B
品名 : 9.5mmx2.0m/20.5MPa 高圧ホース/油圧用金具付
カタログ訂正
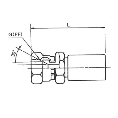
24/10/23 ねじサイズ(G): (誤)1/4”(正)3/8” (NO.55、NO.56 9043)
仕様
| 長さ | 2000mm | 内径 | 9.5mm |
|---|---|---|---|
| 外径 | 16.6mm | 最少曲げ半径 | 70mm |
| 適応流体 | 一般鉱物系作動油 | 最高使用圧力 | 20.5MPa |
| 材質 | 内面ゴム:耐油性合成ゴム 補強層:硬鋼線 外面ゴム:耐油・耐候性合成ゴム 金属部:鉄 |
温度範囲 | -40~100℃ |
| ねじサイズ(G) | 3/8” | 重量 | 870g |
| 建設機械、工作機械、特装車等の油圧機器や配管スペースの狭いスペースでも取付容易なスリムで柔軟な高圧ホース。 | |||
| 追加説明 |
|
|---|
| カタログ価格 |
6,700 円(税抜)/ 7,370 円(税込) |
||||
|---|---|---|---|---|---|
| 在庫数 |
最新在庫 : 5 (2025/12/05 18:40現在) |
||||
| 商品入数 | 1 | 販売単位 | 本 | ||
| カタログページ | 1760ページ | ||||
ウェブカタログ画像
拡大
