品番 : EA164EH-214
品名 : 3/4"DRx14mm [INHEX]インパクトソケット
仕様
| メーカー | コーケン(Ko-ken) | 型番 | 16106.16-14 |
|---|---|---|---|
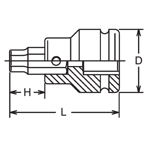
| 差込角 | 3/4” | 全長 | 76mm |
| 対辺 | 14mm | 重量(g) | 430 |
| 交換用インヘックスビット | EA164EH-410~-422 | ||
| ビット交換式 | |||
| 追加説明 |
|
|---|
| カタログ価格 |
4,790 円(税抜)/ 5,269 円(税込) |
||||
|---|---|---|---|---|---|
| 在庫数 |
最新在庫 : 1 (2025/12/23 07:41現在) |
||||
| 商品入数 | 1 | 販売単位 | 個 | ||
| カタログページ | 0492ページ | ||||
| その他関連 | |
|---|---|
| 部品 | EA164AA-5.5AB : 3/4"DR /4.0x35mm インパクトソケット用ピン |
ウェブカタログ画像
拡大
※画像はEA164EH-217です
