品番 : EA304AG-175
品名 : 3.0mm 交換用こて先
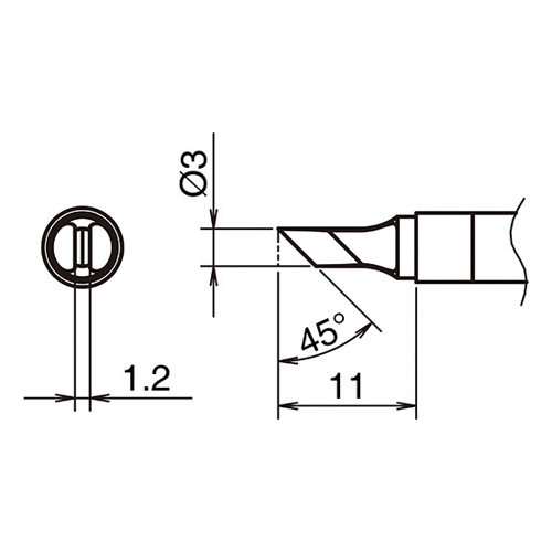
仕様
| メーカー | 白光(HAKKO) | 型番 | T39-KU |
|---|---|---|---|
| こて先 | φ3.0mm | 先端長 | 11mm |
| EA304AG-110用 | |||
| ※適用半田ごては本頁下部のその他関連商品をご覧ください。 | |||
| 追加説明 |
|
|---|
| カタログ価格 |
2,740 円(税抜)/ 3,014 円(税込) |
||||
|---|---|---|---|---|---|
| 在庫数 |
最新在庫 : 0 (2026/05/31 09:56現在) |
||||
| 商品入数 | 1 | 販売単位 | 個 | ||
| その他関連 | |
|---|---|
| 本体 | EA304AG-110 : AC100V/200W 半田ごて(コントローラー付) |
ウェブカタログ画像
拡大
単位:mm
