品番 : EA470BG-120
品名 : Rc 2" 電動式三方ボールバルブ(AC100V/青銅)
仕様
| メーカー | キッツ(KITZ) | 型番 | EA100-TNE-50A |
|---|---|---|---|
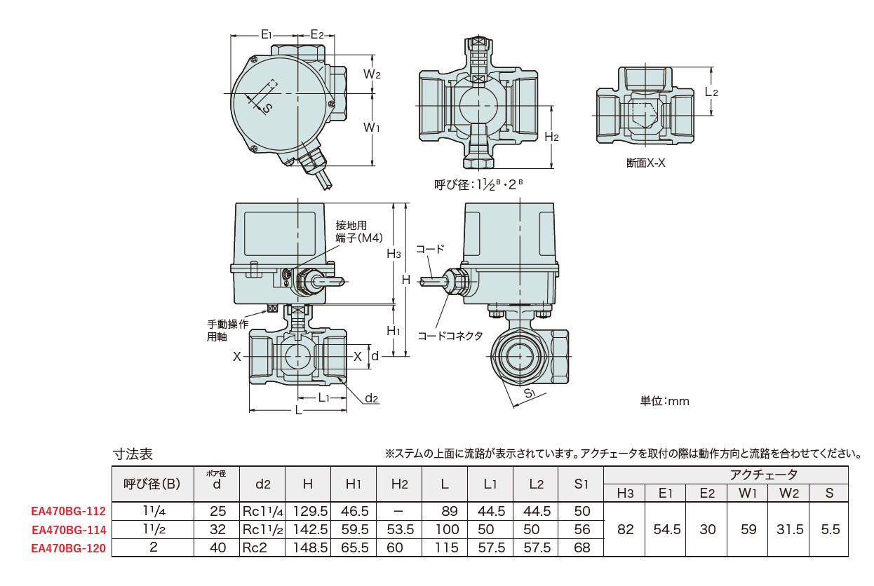
| 呼び径(A呼称) | 50 | ねじサイズ | Rc2” |
| 最高使用圧力 | 80℃以下の水・油・空気:1.0MPa 100℃以下の水・油・空気:0.5MPa |
材質 | バルブボディ:青銅(CAC406) ボディキャップ:C3771 ステム:C6782BD+Crめっき ボール:C3531+Ni-Crめっき ボールシート:PTFE Oリング:FKM |
| 電源 | AC100V(50/60Hz) | 定格電流 | 100mA |
| 最大消費電力 | 10W | 最大出力トルク | 9.8N・m |
| 定格時間 | 連続 | 絶縁等級 | JIS C4003 E種 |
| マイクロスイッチ接点容量 | AC125V 2A(抵抗負荷)AC250V 2A(抵抗負荷) | 位置リミットスイッチ | 開、閉各1個(有電圧) |
| 絶縁耐圧 | AC1500V(1分間)又は AC1800V (1秒間) | 使用環境 | 屋外使用可 (直射日光不可) |
| 周囲温度 | -20℃~+50℃ | 潤滑方式 | グリース |
| 過負荷保護装置 | インピーダンスプロテクト | 塗装 | ハウジング:黒色 カバー:ライトブルーハンマートーン |
| 機能 | 90°正逆回転 | 防水構造 | IEC60529 IP56相当 |
| 開閉時間 | 50Hz:約15秒 60Hz:約13秒 |
||
| レデューストボア型 | |||
| ※可燃性ガス、毒性ガスには使用できません。 | |||
| 追加説明 |
|
|---|
| カタログ価格 |
78,900 円(税抜)/ 86,790 円(税込) |
||||
|---|---|---|---|---|---|
| 在庫数 |
最新在庫 : 1 (2025/12/12 14:14現在) |
||||
| 商品入数 | 1 | 販売単位 | 個 | ||
| カタログページ | 1107ページ | ||||
