品番 : EA471BA-25
品名 : #25/Rp 1" 給水栓チーズ
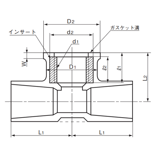
仕様
| メーカー | 積水化学工業 | 商品名 | インサート給水栓用チーズ |
|---|---|---|---|
| 呼び径 | 25 | ねじサイズ | Rp1 |
| ねじ山数 | 14(25.4mmにつき) | 材質 | 硬質塩化ビニール |
| 該当規格 | JIS K 6743 |
| 追加説明 |
|
|---|
| カタログ価格 |
2,380 円(税抜)/ 2,618 円(税込) |
||||
|---|---|---|---|---|---|
| 在庫数 |
最新在庫 : 2 (2025/12/16 23:24現在) |
||||
| 商品入数 | 1 | 販売単位 | 個 | ||
| カタログページ | 1092ページ | ||||
| バリエーション一覧 |
|---|
| EA471BA-13 #13/Rp 1/2" 給水栓チーズ |
| EA471BA-20 #20/Rp 3/4" 給水栓チーズ |
| EA471BA-25 #25/Rp 1" 給水栓チーズ |
