品番 : EA617WC-19
品名 : 3/4"DRx19mm ソケット
仕様
| メーカー | STAHLWILLE(スタビレー) | 型番 | 55-19 |
|---|---|---|---|
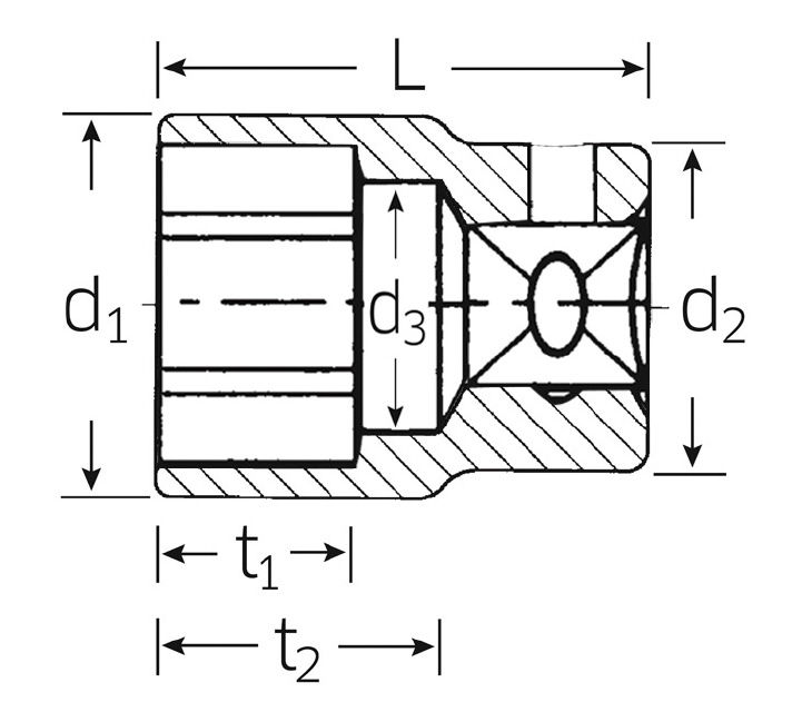
| 差込角 | 3/4” | 対辺 | 19mm |
| 外径 | 28.5mm | サイズ(mm) | 19 |
| 全長(L;mm) | 50 | ソケット部外径(d1;mm) | 28.5 |
| 差込部外径(d2;mm) | 34.7 | ソケット奥内径(d3;mm) | 17 |
| 最大奥行き(t2;mm) | 26 | 重量 | 183g |
| 6角タイプ | |||
| AS-drive(面接触)タイプのソケット | |||
| 手締め時に便利なローレット加工 | |||
| 追加説明 |
|
|---|
| カタログ価格 |
4,540 円(税抜)/ 4,994 円(税込) |
||||
|---|---|---|---|---|---|
| 在庫数 |
最新在庫 : 2 (2025/12/05 00:22現在) |
||||
| 商品入数 | 1 | 販売単位 | 個 | ||
| カタログページ | 0397ページ | ||||
