品番 : EA617YC-9
品名 : 3/8"DRx 9mm ソケット
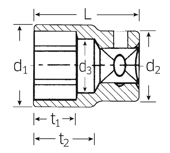
仕様
| メーカー | STAHLWILLE(スタビレー) | 型番 | 456-9 |
|---|---|---|---|
| 差込角 | 3/8” | 対辺(mm) | 9 |
| 全長(L;mm) | 25 | ソケット部外径(d1;mm) | 13 |
| 差込部外径(d2;mm) | 16.5 | ソケット奥内径(d3;mm) | 8 |
| ボルト接触部内面奥行き(t1;mm) | 7 | 最大奥行き(t2;mm) | 13.5 |
| 重量(g) | 19 | ||
| 6角タイプ | |||
| AS-drive(面接触)で、より高品質なHPQシリーズの3/8”DRソケット | |||
| 追加説明 |
|
|---|
| カタログ価格 |
2,150 円(税抜)/ 2,365 円(税込) |
||||
|---|---|---|---|---|---|
| 在庫数 |
最新在庫 : 10 (2025/12/29 21:19現在) |
||||
| 商品入数 | 1 | 販売単位 | 個 | ||
| カタログページ | 0386ページ | ||||
