品番 : EA949MY-1250
品名 : M12x50mm[A2-100]低頭六角穴付ボルト(SUS/1本
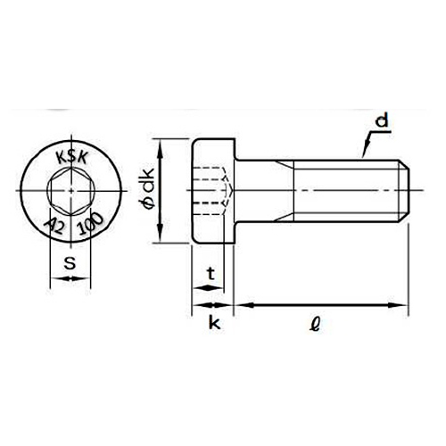
仕様
| 材質 | ステンレス(SUS304CUN) | ねじ規格 | JIS B0205 |
|---|---|---|---|
| 表面処理 | パシペート | 強度クラス | A2-100 |
| サイズ | M12×50 | ピッチ | 1.75(並目) |
| 頭径 | 18mm | 六角穴径 | 8mm |
| 穴深さ | 5mm | 頭部高さ | 7mm |
| 引張強度 | 1000N/m㎡ | 仕様 | 全ねじ |
| 入数 | 1個 | ||
| ・高強度かつ軽量 小型化・軽量化を検討する上で重要な強度を向上しながら頭部を低頭に抑え省スペース化を実現 |
|||
| クロモリ鋼製品(10.9)に相当するA2-100の強度で腐食環境においての置き換えが可能 | |||
| ローヘッド仕様 | |||
| 追加説明 |
|
|---|---|
| アイコン |
| カタログ価格 |
1,630 円(税抜)/ 1,793 円(税込) |
||||
|---|---|---|---|---|---|
| 在庫数 |
最新在庫 : 3 (2026/05/14 23:36現在) |
||||
| 商品入数 | 1 | 販売単位 | 本 | ||
| カタログページ | 1260ページ | ||||
