品番 : EA986PT-311
品名 : 40mm キャスター(自在金具付)
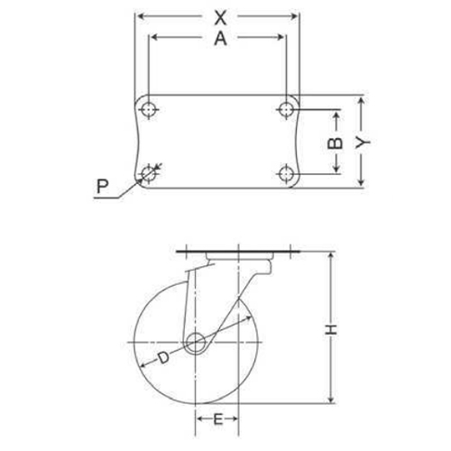
仕様
| メーカー | ナンシン | 型番 | TE-40RM |
|---|---|---|---|
| 仕様 | 自在ストッパー無 | 車輪径×幅 | 40×18mm |
| 耐荷重 | 30kg | 取付高(H) | 56mm |
| 材質 | 車輪:ゴム 金具:クロームメッキ |
穴径(P) | 5.2mm |
| サイズ(X×Y) | 55×38mm | サイズ(A×B) | 44×27mm |
| 追加説明 |
|
|---|
| カタログ価格 |
330 円(税抜)/ 363 円(税込) |
||||
|---|---|---|---|---|---|
| 在庫数 |
最新在庫 : 24 (2026/02/28 00:25現在) |
||||
| 商品入数 | 1 | 販売単位 | 個 | ||
| カタログページ | 1678ページ | ||||
| バリエーション一覧 |
|---|
| EA986PT-311 40mm キャスター(自在金具付) |
| EA986PT-312 50mm キャスター(自在金具付) |
ウェブカタログ画像
拡大
※サイズ詳細は、エスコ寸法図を参照ください。
