品番 : EA164FC-32
品名 : 1"DRx32mm 薄肉インパクトディープソケット
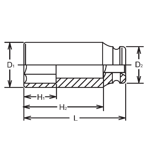
仕様
| メーカー | コーケン(Ko-ken) | 型番 | 18301M-32 |
|---|---|---|---|
| 差込角 | 1” | 対辺(mm) | 32 |
| 外径(mm) | 48.5 | ||
| 薄肉仕様 | |||
| 全長(mm) | 108 | ||
| 追加説明 |
|
|---|
| カタログ価格 |
6,770 円(税抜)/ 7,447 円(税込) |
||||
|---|---|---|---|---|---|
| 在庫数 |
最新在庫 : 1 (2025/12/23 08:08現在) |
||||
| 商品入数 | 1 | 販売単位 | 個 | ||
| カタログページ | 0493ページ | ||||
| その他関連 | |
|---|---|
| オプション | EA164A-45BA : 1" DR/φ45mm Oリング(インパクトソケット用/5個) |
| オプション | EA164AA-6AA : 1" DR /5.0x45mm インパクトソケット用ピン(5個) |
