品番 : EA164FC-55A
品名 : 1"DRx55mm 薄肉インパクトディープソケット
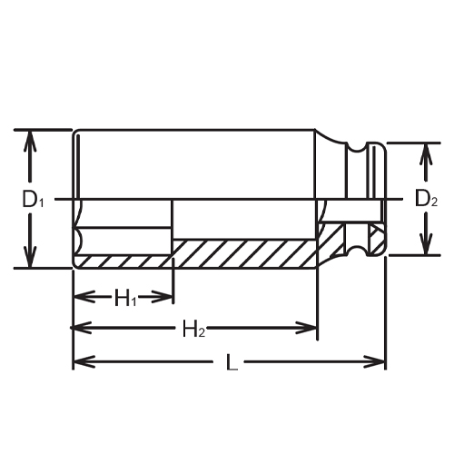
仕様
| メーカー | コーケン(Ko-ken) | 型番 | 18301M-55 |
|---|---|---|---|
| 差込角 | 1”(25.4mm) | 対辺 | 55mm |
| 外径 | 77.3mm | 全長 | 108mm |
| 重量 | 1963g | ||
| 6ポイント | |||
| 薄肉仕様のため、より使い易く、より狭い場所での作業にも対応可能 | |||
| 面接触により、ボルト・ナットの角を傷めなく、ソケットにかかる応力が分散されるため、耐荷重性もアップしています。 | |||
| 追加説明 |
|
|---|
| カタログ価格 |
16,800 円(税抜)/ 18,480 円(税込) |
||||
|---|---|---|---|---|---|
| 在庫数 |
最新在庫 : 1 (2026/05/21 13:10現在) |
||||
| 商品入数 | 1 | 販売単位 | 個 | ||
| カタログページ | 0484ページ | ||||
| その他関連 | |
|---|---|
| オプション | EA164AA-6AA : 1" DR /5.0x45mm インパクトソケット用ピン(5個) |
| オプション | EA164-8A : 1" DR Cリング(インパクトソケット用/10個) |
ウェブカタログ画像
拡大
※画像は代表画像です。
