品番 : EA617XA-14
品名 : 1/4"DRx 14mm ソケット
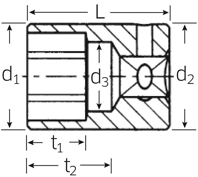
仕様
| メーカー | STAHLWILLE(スタビレー) | 型番 | 40D-14 |
|---|---|---|---|
| 差込角 | 1/4” | 対辺(mm) | 14 |
| 外径 | 19.5mm | 全長(L;mm) | 24 |
| ソケット部外径(d1;mm) | 19.5 | 差込部外径(d2;mm) | 19.5 |
| ソケット奥内径(d3;mm) | 13 | ボルト接触部内面奥行き(t1;mm) | 10 |
| 最大奥行き(t2;mm) | 14.7 | 重量 | 32g |
| 12角タイプ | |||
| AS-drive(面接触)で、より高品質なHPQシリーズの1/4”DRソケット | |||
| 追加説明 |
|
|---|
| カタログ価格 |
1,720 円(税抜)/ 1,892 円(税込) |
||||
|---|---|---|---|---|---|
| 在庫数 |
最新在庫 : 1 (2026/05/31 08:33現在) |
||||
| 商品入数 | 1 | 販売単位 | 個 | ||
| カタログページ | 0384ページ | ||||
