品番 : EA638H-1
品名 : 21x7.0x 2.5mm クイックリング(スチール/Zinc)
取扱中止になりました。代替品情報をご参照ください。
ナットの開閉がスムーズで、取付けやすい
仕様
材質 | スチール(亜鉛メッキ) | 線径 | 2.5mm |
---|---|---|---|
内寸 | 21×7mm | 口の開き | 3.5mm |
使用荷重 | 35kg | 六角対辺 | 5mm |
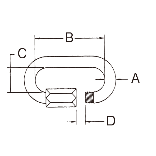
ねじの太さ | 3.5mm | サイズ(mm) | A:2.5、B:21、C:7、D:3.5 |
重量 | 3g |
追加説明 |
|
---|
カタログ価格 |
240 円(税抜)/ 264 円(税込) |
||||
---|---|---|---|---|---|
在庫数 |
最新在庫 : 0 (2025/10/05 21:38現在) |
||||
商品入数 | 1 | 販売単位 | 個 |
代替品
![]() |
|
ウェブカタログ画像
拡大
.jpg)