品番 : EA440ZA-1
品名 : 20x 20x1.0 mm ベース用シム(真鍮製)
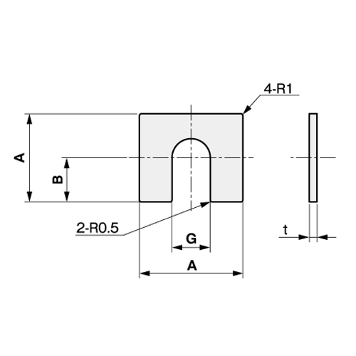
仕様
| メーカー | 岩田製作所 | 型番 | MB020020100 |
|---|---|---|---|
| 用途 | モーターベースの隙間調整 | 幅 | 20mm |
| 溝幅 | 9mm | 溝深さ | 10mm |
| 厚み | 1.0mm | 板厚公差 | ±0.05mm |
| 材質 | 真鍮 | ||
| モーターベース用 | |||
| RoHS適合品 | |||
| 追加説明 |
|
|---|
| カタログ価格 |
520 円(税抜)/ 572 円(税込) |
||||
|---|---|---|---|---|---|
| 在庫数 |
最新在庫 : 3 (2025/12/09 07:26現在) |
||||
| 商品入数 | 1 | 販売単位 | 枚 | ||
| カタログページ | 1356ページ | ||||
代替品
![]() |
|

