品番 : EA538MA-64
品名 : 2.0 -3.5 [丸形]裸圧着端子(350個)
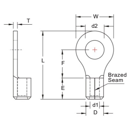
仕様
| 型式 | 2-3.5L | 電線抱合範囲 | 単線:1.14~1.82mm 撚線:1.04~2.63m㎡ AWG:16~14 |
|---|---|---|---|
| スタッド径 | 3.7mm | 全長 | 16.5mm |
| 剥き線長 | 6.4mm | 入数 | 350個 |
| 材質 | 無酸素銅(電気すずメッキ) | ||
| ケース付き | |||
| RoHS対応品 | |||
| ※絶縁ではありません。 | |||
| 追加説明 |
|
|---|
| カタログ価格 |
2,900 円(税抜)/ 3,190 円(税込) |
||||
|---|---|---|---|---|---|
| 在庫数 |
最新在庫 : 67 (2026/02/15 05:18現在) |
||||
| 商品入数 | 350 | 販売単位 | PAK | ||
| カタログページ | 1172ページ | ||||
代替品
![]() |
|
ウェブカタログ画像
拡大


※画像は代表画像です。