品番 : EA538MA-70
品名 : 5.5 -5.0 [丸形]裸圧着端子(200個)
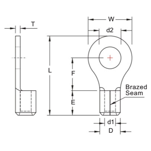
仕様
| 型式 | 5.5-5 | 電線抱合範囲 | 単線:1.82~2.89mm 撚線:2.63~6.64m㎡ AWG:12~10 |
|---|---|---|---|
| スタッド径 | 5.3mm | 全長 | 19.0mm |
| 剥き線長 | 9.6mm | 入数 | 200個 |
| 材質 | 無酸素銅(電気すずメッキ) | ||
| ケース付き | |||
| RoHS対応品 | |||
| ※絶縁ではありません。 | |||
| 追加説明 |
|
|---|
| カタログ価格 |
2,820 円(税抜)/ 3,102 円(税込) |
||||
|---|---|---|---|---|---|
| 在庫数 |
最新在庫 : 63 (2026/02/15 06:36現在) |
||||
| 商品入数 | 200 | 販売単位 | PAK | ||
| カタログページ | 1172ページ | ||||
代替品
![]() |
|
ウェブカタログ画像
拡大


※画像は代表画像です。