品番 : EA538MA-74
品名 : 8.0 -8.0 [丸形]裸圧着端子(70個)
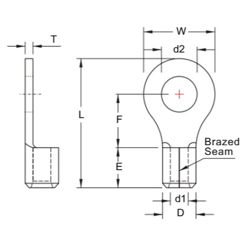
仕様
| 型式 | 8-8 | 電線抱合範囲 | 撚線:6.64~10.52m㎡ AWG:8 |
|---|---|---|---|
| スタッド径 | 8.4mm | 全長 | 29.2mm |
| 剥き線長 | 12mm | 入数 | 70個 |
| 材質 | 無酸素銅(電気すずメッキ) | ||
| ケース付き | |||
| RoHS対応品 | |||
| ※絶縁ではありません。 | |||
| 追加説明 |
|
|---|
| カタログ価格 |
2,680 円(税抜)/ 2,948 円(税込) |
||||
|---|---|---|---|---|---|
| 在庫数 |
最新在庫 : 82 (2026/04/28 12:22現在) |
||||
| 商品入数 | 70 | 販売単位 | PAK | ||
| カタログページ | 1172ページ | ||||
ウェブカタログ画像
拡大

※画像は代表画像です。