Item# : EA538MA-62
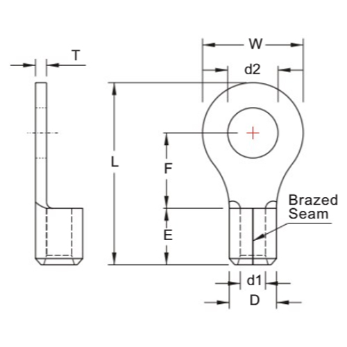
Description : [Round type] Bare crimp terminal
Spec
| Type |
1.25-4L
|
Stranded(mm2) |
0.25 to 1.65
|
| Qty. |
450 pcs |
|
|
| Catalog Price (JPY) |
¥
3,220
(Excluding tax)/¥
3,542(Tax including)
|
| Quantity of stock |
Latest stock:83
(2026/01/01 16:50 Currently)
|
| Catalog Page |
Page 1172
|
Replacement Items
Documents
| ESCO dimentional drawing |
-
|
Note : Please read it before having you purchase item.
-
<About item>
Esco label with bar code is put on the handling pruducts (Excluding part of direct product from manufacture). A product becomes the change of specifications and the abolished turn without a notice by model change and improvement circumstances.
-
<About size>
The value of indication includes an error.Please select with margin.
-
<About color>
About the color of the publication product, it is a little different from a real color.
-
<About an expense of heavy product>
It is requested about assembling, insrallation and installation separately.
It is subdivision article number of a product which manufacture・ESCO sell a set.