Item# : EA538MA-71
Description : [Round type] Bare crimp terminal
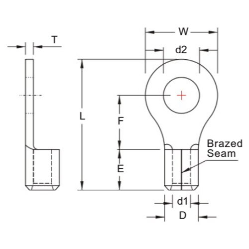
Spec
| Type |
5.5-6
|
Stranded(mm2) |
2.63 to 6.64
|
| Qty. |
100 pcs |
|
|
| Catalog Price (JPY) |
¥
2,000
(Excluding tax)/¥
2,200(Tax including)
|
| Quantity of stock |
Latest stock:70
(2026/01/22 02:21 Currently)
|
| Catalog Page |
Page 1172
|
Replacement Items
Documents
| ESCO dimentional drawing |
-
|
Note : Please read it before having you purchase item.
-
<About item>
Esco label with bar code is put on the handling pruducts (Excluding part of direct product from manufacture). A product becomes the change of specifications and the abolished turn without a notice by model change and improvement circumstances.
-
<About size>
The value of indication includes an error.Please select with margin.
-
<About color>
About the color of the publication product, it is a little different from a real color.
-
<About an expense of heavy product>
It is requested about assembling, insrallation and installation separately.
It is subdivision article number of a product which manufacture・ESCO sell a set.