すべての商品

前日在庫を参照しております。リアルタイム在庫は検索結果一覧画面でご確認頂けます。

  • 価格帯 円〜

品番 : EA469SD-4A

品名 : Rc1/2"[フラッパー式]サイトグラス(ステンレス製)

仕様

メーカーワシノ機器型番GEF13S
呼び径15AねじサイズRc1/2”
使用ガラス強化ガラス材質ボディ:SCS13A(ステンレス鋳鋼)
※詳細は添付図面をご確認ください。
重量約1.0kg最高使用圧力1.0MPa・G
最高使用温度150℃
スプリングで押さえられたフラッパー(金属プレート)を組み込んだものです。
流れに応じて金属プレートが動き、それによって流体の流れを目視できます。
販売価格

32,500(税抜)/ 35,750円(税込)

カタログ価格

32,500円(税抜)/35,750円(税込)

在庫数

最新在庫: 0

(2026/03/31 15:46現在)

更新
商品入数1販売単位
バリエーション一覧
EA469SD-3A Rc3/8"[フラッパー式]サイトグラス(ステンレス製)
EA469SD-4A Rc1/2"[フラッパー式]サイトグラス(ステンレス製)
EA469SD-6A Rc3/4"[フラッパー式]サイトグラス(ステンレス製)
ウェブカタログ画像
※画像は旧品です。
※カバーのボルト固定箇所が変更されています。
  • ※画像は旧品です。\n※カバーのボルト固定箇所が変更されています。
  • B:63mm NxM:4×M8
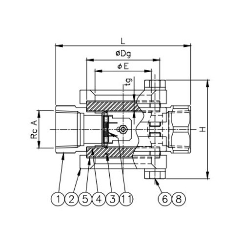
  • A:1/2 L:95mm H:約69mm E:40mm Dg:50mm tg:6mm

資料

図面
  1. PDF

ご注意:商品をご購入いただく前にご一読下さい。

  • エスコラベル
    <商品について>

    取扱商品にはバーコード入りのエスコラベルを貼っております。(一部メーカー直送品を除く)又、モデルチェンジ・改良等諸事情により、予告なく仕様の変更や廃番になる商品がございます。

  • <サイズについて>

    表示値は誤差を含みますので、ゆとりを持った選択をお願いいたします。

  • <カラーについて>

    掲載商品の色調につきましては、実際の色と多少異なる場合がございます。

  • <重量物の別途費用について>

    組立、据え付け、設置については別途請求になる場合がございます。

page top