すべての商品

前日在庫を参照しております。リアルタイム在庫は検索結果一覧画面でご確認頂けます。

  • 価格帯 円〜

品番 : EA949HS-171

品名 : M10/35mm [V形]防振ゴム

仕様

メーカー倉敷化工型番KC-35
用途高速ディーゼル機関、空気圧縮機、
振動ふるい、横形遠心分離機、
振動スクリーン、ポンプ、工作機械
高さ35mm
ねじサイズM10下方向支持荷重98N
下方向ばね定数74N/mmゴム材質天然ゴム
六角ナット、スプリングワッシャー各2個付
複雑な振動系の防振支持に適すように設計してあります。
丸形防振ゴムに比べ、横方向の剛性が大きく、安定性が良いので、横方向に加振力のある回転機械などの支持に適しています。
取付けが簡単で、取付方向を変えることにより、ばね定数が容易に変えられ、目的の防振効果が得られます。
販売価格

5,080(税抜)/ 5,588円(税込)

カタログ価格

5,080円(税抜)/5,588円(税込)

在庫数

最新在庫: 3

(2026/04/11 02:11現在)

更新
商品入数1販売単位
カタログページ1234ページ
バリエーション一覧
EA949HS-171 M10/35mm [V形]防振ゴム
EA949HS-172 M12/45mm [V形]防振ゴム
EA949HS-173 M12/60mm [V形]防振ゴム
ウェブカタログ画像
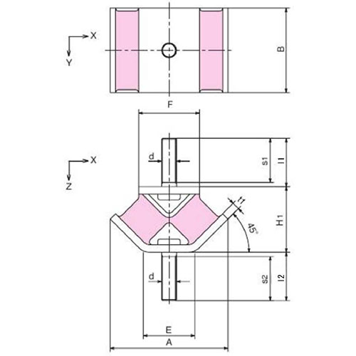
  • A:60mm    B:30mm    E:30mm\nF:26mm    d:M10     l1:31mm\nl2:29mm    s1:25mm    s2:25mm\nt1:4.5mm    H1:35mm
  • ゴムの種類

商品動画

  • エスコ便利カタログ1234ページ
  • エスコ便利カタログ1235ページ

ご注意:商品をご購入いただく前にご一読下さい。

  • エスコラベル
    <商品について>

    取扱商品にはバーコード入りのエスコラベルを貼っております。(一部メーカー直送品を除く)又、モデルチェンジ・改良等諸事情により、予告なく仕様の変更や廃番になる商品がございます。

  • <サイズについて>

    表示値は誤差を含みますので、ゆとりを持った選択をお願いいたします。

  • <カラーについて>

    掲載商品の色調につきましては、実際の色と多少異なる場合がございます。

  • <重量物の別途費用について>

    組立、据え付け、設置については別途請求になる場合がございます。

最近見た商品

page top