すべての商品

前日在庫を参照しております。リアルタイム在庫は検索結果一覧画面でご確認頂けます。

  • 価格帯 円〜

品番 : EA951KA-5

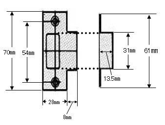
品名 : 28-40mm/60mm 間仕切錠

取扱中止になりました。代替品情報はございません。

仕様

ドア厚28~40mmバックセット60mm
用途応接室・寝室・間仕切用穴径5.5mm
内側サムターン外側非常解錠装置(コイン式)
材質ノブ(握玉)部主要材質:ステンレス(SUS304)、他内部部品:鉄・亜鉛ダイカスト・真鍮など
円筒錠
カギなし
販売価格

4,320(税抜)/ 4,752円(税込)

カタログ価格

4,320円(税抜)/4,752円(税込)

在庫数

最新在庫: 0

(2026/04/03 17:08現在)

更新
商品入数1販売単位
ウェブカタログ画像
外側
  • 外側
  • 世界のステンレス規格
  • ステンレス鋼(JIS G4303, G4304, G4305, G4306, G4307, G4308, G4309, G4313, G4314)
  • 内側

ご注意:商品をご購入いただく前にご一読下さい。

  • エスコラベル
    <商品について>

    取扱商品にはバーコード入りのエスコラベルを貼っております。(一部メーカー直送品を除く)又、モデルチェンジ・改良等諸事情により、予告なく仕様の変更や廃番になる商品がございます。

  • <サイズについて>

    表示値は誤差を含みますので、ゆとりを持った選択をお願いいたします。

  • <カラーについて>

    掲載商品の色調につきましては、実際の色と多少異なる場合がございます。

  • <重量物の別途費用について>

    組立、据え付け、設置については別途請求になる場合がございます。

page top