すべての商品

前日在庫を参照しております。リアルタイム在庫は検索結果一覧画面でご確認頂けます。

  • 価格帯 円〜

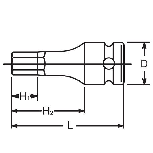
品番 : EA164CG-8

品名 : 3/8"DRx 8mm [INHEX]インパクトビットソケット

ウェブカタログ画像
※画像は代表画像です。
  • ※画像は代表画像です。
  • D:21mm  H1:15.5mm  H2:34mm\nL:52mm

資料

RoHS
  1. PDF
  • エスコ便利カタログ480ページ
  • エスコ便利カタログ481ページ

ご注意:商品をご購入いただく前にご一読下さい。

  • エスコラベル
    <商品について>

    取扱商品にはバーコード入りのエスコラベルを貼っております。(一部メーカー直送品を除く)又、モデルチェンジ・改良等諸事情により、予告なく仕様の変更や廃番になる商品がございます。

  • <サイズについて>

    表示値は誤差を含みますので、ゆとりを持った選択をお願いいたします。

  • <カラーについて>

    掲載商品の色調につきましては、実際の色と多少異なる場合がございます。

  • <重量物の別途費用について>

    組立、据え付け、設置については別途請求になる場合がございます。

page top